Tartalom
A faágak, a kerti növények tetejének és más zöld növényzetnek a feldolgozásához kiváló mechanikus asszisztenssel - aprítógéppel - álltak elő. Pár perc alatt egy halom hulladékot használnak télire a komposzt alapanyagaként vagy a baromfihoz. A gyárilag gyártott egység nagyon drága, ezért a kézművesek megtanulták önállóan összeszerelni. Azok számára, akik érdeklődnek, javasoljuk megfontolni, hogyan lehet saját kezűleg készíteni egy kerti aprítógépet minimális költséggel.
Az aprító fő egységei
A fű- és ágaprító három fő egységből áll: egy motorból, egy vágószerkezetből - aprítóból és egy rakodó garatból. Mindez acélvázon helyezkedik el, és a biztonság érdekében burkolattal van lezárva. Egyes gyárilag gyártott aprítógépek felszerelhetők egy további garattal az aprított tömeg összegyűjtésére. Az őrlőgéppel végzett munka során további eszközöket használnak: a szerves anyagok tológépét és a kis frakciók elválasztását elősegítő szitát. Az átszitált nagy hulladékot szükség esetén egy garatba töltik újrahasznosítás céljából.
A gyárilag gyártott aprítógépeket hengerrel, maróval, kalapáccsal és más aprítóval szerelik fel. A házi készítésű kerti aprítógépek általában kés vagy körfűrész készletéből készült vágószerkezettel működnek.
Iratmegsemmisítő meghajtó
Bármely fű- és ágaprítót hajtanak. Itt csak két lehetőség van: villanymotor vagy benzinmotor. Az elektromos aprítógépek teljesítménye sokkal gyengébb, és inkább finom szerves anyagok őrlésére szolgálnak. Az ICE-meghajtású aprítógépek sokkal erősebbek. Akár 8 cm vastag ágakkal is képesek megbirkózni.
Ha saját kezével készít kerti aprítógépet, az elektromos motor eltávolítható a használt berendezésből. Kívánatos, hogy teljesítménye legalább 1,1 kW legyen. Akinek van hátsó traktora, az iratmegsemmisítő szalagmeghajtó segítségével csatlakoztatható a belső égésű motorhoz. Motor hiányában az aprítót egy boltban vásárolt egységgel kell kiegészíteni.
A lágy szerves anyagok aprítói általában hajtás nélkül is működhetnek. Egy személy a keze erejével cselekvésbe hozza őket. Az ilyen mechanizmusok lehetőségeit a fotó mutatja.
Aprítógépek különböző modelljeinek rajzai
Fűszecskázó elkészítéséhez pontos tervrajzokkal kell rendelkeznie. Javasoljuk, hogy fontolja meg az aprító rendszerek több lehetőségét.
A kalapácsaprító aprítót univerzálisnak tekintik. A mechanizmus megbirkózik a lágy zöld tömeggel, a faágakkal, a kerti növények vastag tetejével és még a gabonával is.
Az ágak és a fű vágóeszközének legegyszerűbb módja a körfűrészek. Ilyen aprítóhoz még tervrajzokra sincs szükség. 15-30 darabos körfűrészeket tolnak a tengelyre, mindkét oldalon anyákkal meghúzják, csapágyakkal töltik meg, majd az egész szerkezetet acélvázra rögzítik.
Az ikerhenger aprító is könnyen előállítható. Ezt a bemutatott rajz segítségével ellenőrizhetjük. A aprító két tengelyből áll, amelyekre felülről acélkések vannak rögzítve. Házi készítéskor teherautó rugókból készülnek, és 3-4 darabba kerülnek.A tengely tengelyei és a csapágyak egymással párhuzamosan vannak rögzítve, így a kések forgás közben nem tapadnak meg.
A videó egy házi aprítógépet mutat be fogaskerekekkel:
Szerelési útmutató az aprítógépek különböző modelljeihez
Egy házi készítésű kerti aprítógép összeszerelését kezdik, miután az összes alkatrészt a rajznak megfelelően előkészítették. A választott kiviteltől függetlenül a munka magában foglalja a váz, a garat, az aprító és a motorcsatlakozás gyártását.
Körfűrész konstrukció
Az ilyen kerti ágaprító körfűrészekből áll, amelyek egyetlen szerkezetbe vannak összeállítva. Meg kell vásárolni őket a boltban. A fűrészek számát egyedileg határozzák meg. Általában 15-30 darabot tesznek. Fontos, hogy itt egy árnyalatot vegyünk figyelembe. Több fűrésszel a aprító szélessége megnő, ami azt jelenti, hogy erősebb hajtásra van szükség.
A tengelyre körfűrészeket szerelnek, és mindegyik közé egy 10 mm vastag közbenső alátétet helyeznek. Nem csökkentheti a rést, különben a munkaterület csökken. Az alátéteket sem tanácsos vastagabbra tenni. A vékony ágak elakadnak a fűrészek közötti nagy résekben.
A tengelyt esztergán forgatják. Szükség van az anyák meneteire a fűrészkészlet és a munka tárcsa rögzítéséhez. A tengely mindkét végén a csapágyak vannak megmunkálva.
A hajtáshoz jobb elektromos motort használni. Ha egy saját maga összeállított kerti elektromos aprító 220 V-os hálózatról működik, akkor csak vékony ágakat és zöld tömeget képes őrölni. Vastag ágak feldolgozásához háromfázisú villanymotor szükséges. Opcióként a aprítót úgy lehet kialakítani, hogy övvel csatlakoztassa a traktor motoros tárcsájához.
Az őrlőváz acélprofilból, csatornából vagy sarokból van hegesztve. Először készítsen egy téglalap alakú alapot a aprító számára. Itt fontos a csapágy üléseit egyenletesen rögzíteni, hogy ne legyenek eltérések, és az elektromos motor tengelyének és a körfűrészekkel ellátott tengelynek párhuzamos síkban kell lennie. Támasztóállványokat hegesztenek a daráló kész aljához, amely a daráló lábaként fog működni.
Az aprító garat acéllemezből készül, amelynek vastagsága legalább 1 mm. A vékony ónt nem érdemes venni, mert deformálódni fog a repülõ forgács ütéseitõl. A garat magassága nagyobb, mint a karok hossza. Ez a személyes biztonság érdekében történik.
A fűrészkészletből készült aprítógép minden szerves anyaggal megbirkózik. Az aprítót azonban gyakran kell tisztítani.
Szecskázó szerelése késkoronggal
Ez a késszecskázó csak lágy szerves anyagok feldolgozására alkalmas. Ez inkább baromfi és állatok zöld takarmányának elkészítésére szolgál. A bunker ónból hajlik. Alkalmazhatja a régi technológiájú horganyzott vödröt vagy tokot, például ventilátort. A bunker rugalmasnak bizonyul, de itt nagy erőre nincs szükség. Végül is a fűszecskázó nem fogja csépelni az ágakat.
A aprító 3-5 mm vastag acéllemezből készül. 4 lemezt vágnak ki a korongon darálóval. Ezután elvesznek egy darab autórugót, megélesítik és 2 lyukat fúrnak. Van 4 ilyen kés is, amelyek után behelyezik a tárcsa nyílásaiba és megcsavarozzák. A lemez közepén lyukat fúrnak. A tengely menetes végét beillesztik, majd egy anyával erősen meghúzza. Maga a csapágyakkal ellátott tengely a kerethez van rögzítve, a másik végére pedig egy tárcsa kerül.
A fű levágásához elegendő a szecskát 1 kW-os elektromos motorral összekötni.
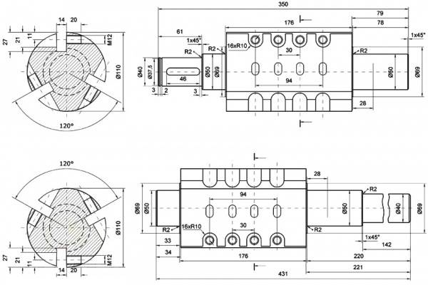
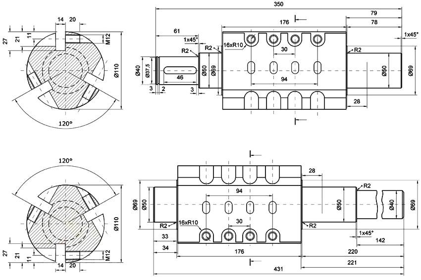
A Twin Roll Shredder összeszerelése
A kéttekercses kerti aprítógép összegyűjtése kerettel kezdődik. Először egy téglalap alakú szerkezetet hegesztenek. A kereten belül négy tengely rögzítő van hegesztve az oldalsó tagokhoz. Úgy vannak elhelyezve, hogy a vágódobok egy vonalba kerüljenek.
Továbbá a bemutatott séma szerint 2 tengely készül vágódobokkal. Három kés esetén kerek üreset kell találnia. Acél négyzetet használnak 4 késhez. Mindenesetre a tengelyek élei kerek formában vannak kihegyezve a csapágyak számára.
A kések egy autó rugójából készülnek. Minden elemhez két rögzítő furat van rögzítve a csavarokhoz. Mindegyik kést 45 szögben élesítikról ről, tegye a tengelyre, és jelölje meg a rögzítési pontokat. Most még lyukakat kell fúrni a jelek szerint, levágni a szálakat és meg kell csavarozni az összes kést. A vágódobok készen állnak.
A következő lépés a aprító összeszerelése. Ehhez lyukakat fúrnak az acél doboz ellentétes falaiba. Körülöttük egy acélcsíkból fészkeket képeznek, ahol a csapágyak a tengelyekkel együtt vannak behelyezve. Forgatáskor a dobok nem kapaszkodhatnak egymásba késsel.
A fogaskerekek minden tengelyre vannak felszerelve. A mozgás szinkronizálásához szükségesek. A kész aprítógépet négy, a kerethez hegesztett belső részre rögzítik. A garat 1-2 mm vastag acéllemezből van hegesztve. A szíjtárcsákat a vágódob és a motor tengelyeire helyezzük. Használhatja a láncátvitelt. Ezután csigák helyett csillagokat helyeznek el.
A kéthengeres iratmegsemmisítő háromfázisú villanymotorral vagy egy hátsó traktor motorjával működtethető. Ebben az esetben elegendő erő áll rendelkezésre akár 8 cm vastag ágak feldolgozásához.
Következtetés
A házi darálók gyártásában a kézművesek darálókat, fúrókat, porszívókat és még mosógépeket is használnak. Természetesen az ilyen iratmegsemmisítők gyengének bizonyulnak, de madáretetés céljából a fát fel lehet aprítani.














