Tartalom
Ha van egy hátsó traktor vagy motor-kultivátor a gazdaságban, a tulajdonos az év bármely szakában maximálisan megpróbálja használni a berendezést. Például télen az egység gyorsan megtisztíthatja a hó nagy részét. De ezeknek a munkáknak az elvégzéséhez előtagra van szükség a bejárható traktorhoz. A gyárilag gyártott mellékletek nem olcsók, ezért a kézművesek gyakran maguk készítik el őket. Gyűjts otthon hófúvó a hátsó traktorhoz négy típus létezik.
A különbség a házi készítésű hófúvók között tervezés szerint
A házi készítésű hóekék sokoldalúnak számítanak. Vontatható tartozékként használhatók mini traktorhoz, hátsó traktorhoz vagy motorkultivátorhoz. Vontató berendezés hiányában a hóeltakarító mechanizmus motorral van felszerelve. Egy ilyen házi készítésű termékből hókotró nyerhető. Függetlenül a használt vontatóberendezéstől, az egyes típusok kialakítása hófújó változatlanul marad:
- Penge - csak beépített traktor vagy mini traktor rögzítésére szolgál. Csatlakoztassa a vonószerkezet keretén található tartóhoz.
- A csiga hóeltakarító mechanizmus fúvókaként vagy független gépként működhet, ha a szerkezet motorral van felszerelve. A hátsó traktor ilyen hófúvóját tartják a leghatékonyabbnak.
- A forgó hófúvót lég- vagy ventilátoros hófúvónak is nevezik. Arra is képes, hogy saját motorjával működjön, vagy mellékletként használható.
- A csiga vagy a kombinált hófúvó a legösszetettebb kivitelű. Egy házban egy csavart és egy rotor mechanizmust kombinál.
A hátsó traktor kombinált hófúvója a legeredményesebb, de gyártása nagyon nehéz. Leggyakrabban a kézművesek kedvelik a csigafúvókákat.
A hátsó traktor felszerelése egy buldózerbe
A legegyszerűbb házi hófúvó egy sétáló traktornál egy penge tekinthető. Lapát egy minta. A gép vázán egy rögzíthető konzolhoz van rögzítve, így egy kis buldózert kapunk. A penge fel van szerelve egy olyan mechanizmussal, amely lehetővé teszi a lapát forgási szögének megváltoztatását a hótömeg oldalra mozgatásához.
Készítsen ilyen hófúvót DIY hátsó traktor lehet egy 270 mm átmérőjű csőből vagy egy régi gázpalackból. Ehhez a munkadarabot három vonal mentén a vonalak mentén jelöljük. Az egyik elemet darálóval vágják ki, majd a rudakat és a pótkocsi mechanizmusát a hátsó oldalon hegesztik.
A penge elve egyszerű. Amikor a hátsó traktor és a hófúvó előre mozog, a lapát megrengeti a hótakarót. És mivel szögben van felszerelve, a hó egyenletesen eltolódik az út széle felé. Ha a hátsó traktornak vissza kell állnia a kiindulási helyzetbe, a penge megemelkedik és a hátramenet sebessége bekapcsol. A betakarítás folytatásához a lapátot ismét a földre engedik, és első sebességgel halad előre.
Auger hófúvó
A csiga típusú hátsó traktor hófúvója nagy teljesítményű. A fúvóka egy félkör alakú fém testből - egy vödörből áll. Belül a csiga a csapágyakon forog. Kialakítása egy húsdaráló egy részéhez hasonlít. A körkéseket spirálban hegesztik a tengelyre. Két félből állnak, amelyek felváltva konvergálnak a központi részhez.A tengely ezen a részén téglalap alakú lemezek - pengék vannak. Szigorúan felettük, a test tetején széles lyuk készül - egy fúvóka, amely egy elágazó csővel van összekötve egy ürítőhüvellyel és egy vezetőellenzővel. A vödör aljára rögzített késsel rögzítik a hórétegek vágását.
A csiga típusú hófúvó motorblokkja a következőképpen működik:
- A fúvóka előre mozgása során egy álló kés vágja le a hótakarót, és az a kanál belsejébe esik. Itt a csiga késekkel szétzúzza a tömeget, és egyúttal a test közepére mozgatja.
- A pengék a csigával együtt forognak, és felszedik a beérkező havat. Ezután kinyomják a fúvókán keresztül.
- A kezelő napellenzővel állítja be a hófúvás irányát.
Az ilyen hóekék hátsó traktorhoz való csatlakoztatásához vontatott mechanizmust használnak. A motortól a csigáig terjedő nyomatékot egy öv vagy lánchajtás továbbítja.
A hófúvó teste könnyen elkészíthető. Bármely lemezből hajlik. Az oldalakat akár vastag rétegelt lemezből is lehet vágni. Az agyak középen csavarozva vannak. A csigatengelyre szerelt csapágyak ide kerülnek. Magát a dobot nehezebb késsel elkészíteni. A fotón azt javasoljuk, hogy saját kezűleg tekintse meg a hátsó traktor hófúvójának rajzait, vagy pontosabban magát a csigát.
A szerkezet egy tengelyből áll, amelyen csapok vannak hegesztve az élek mentén. Zárt típusú csapágyakkal vannak felszerelve. Az egyik lengőrúdhoz lánckerék csatlakozik. A szíjtárcsával összeköthető az öv.
A körkések fémből vannak kivágva. Először gyűrűket készítenek, majd fűrészelik őket és különböző irányokba nyújtják őket, hogy spirálfordulatokat hozzanak létre. A kések a tengelyhez vannak rögzítve a pengék felé.
A kések létrehozásának számos lehetősége van:
- a szállítószalag korongjai vagy az autógumik alkalmasak a laza és frissen hullott hó tisztítására;
- a lapos élű acéllemezek megbirkóznak a megrepedt és nedves borítással;
- fogazott fémkorongok képesek megfagyni a fagyott rétegeket.
Bármely késsel készült csiga esetében fontos, hogy a fordulatok között azonos távolság legyen. Ennek elmulasztása a hófúvó dobását okozza.
Ventilátor hófúvó
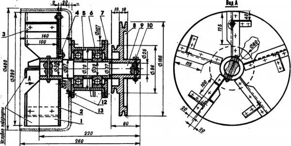
Kis mennyiségű laza hó eltávolításához ventilátor típusú hófúvót használnak egy járható traktorhoz. A fúvóka fő munkaeleme a rotor. A fotó rajza látható.
A diagram azt mutatja, hogy a rotor egy tengelyszerkezet, amelyre két csapágy van felszerelve. A járókerék lapátos járókerék. Öt van belőlük a rajzon, de tehet kettőt, hármat vagy négy darabot. A nyomaték a traktoron át ékszíjjal ellátott tárcsákon keresztül terjed.
A rotor csapágyagya a hófúvó kerek testének végéhez van rögzítve. Gyakran fémhordóból készül. Ehhez vágja le a tartály egy részét 15–20 cm magasan az aljával együtt. A járókerék a házba nyúló rotortengelyre van felszerelve. A tetején lévő oldalsó polcon egy lyuk van kivágva, ahol egy vezetővédővel ellátott ágcsövet hegesztenek. Ahhoz, hogy ventilátoros hófúvót készítsen a hátsó traktorból, a rögzítést a készülék keretéhez kell csatlakoztatni, és szíjhajtást kell felszerelni.
A hófúvó fúvójának működési elve a hó elszívásán alapul. A vezető lapátok a test elejéhez vannak hegesztve. Előre haladva a fúvóka magával ragadja a havat. A ventilátorlapátok megőrlik és összekeverik a levegővel. A keletkező tömeget az elágazó csövön keresztül egy erős légáram kiszorítja, és akár 6 m távolságra is oldalra repül.
Kombinált hófúvó
Fontolja meg részletesen, hogyan lehet hófúvót készíteni csináld magad csiga típusú, semmi értelme. Ez a kialakítás két összekapcsolt mellékletből áll. A hátsó traktor csigás hófúvóját veszik alapul, majd véglegesítik. A figyelembe vett utasítások szerint ventilátorfúvóka készül, csak a vezető lapátok nincsenek hegesztve a ház előtt. Ezen a ponton csatlakozik a csiga hófúvó kanáljának hátuljához.
Működés közben a csiga összetöri a havat és betáplálja a ventilátor fúvókaházába. Itt a járókerék lapátjai erős légáramot képeznek, amelyek a tömeget a nyomóhüvelyen keresztül tolják.
A videó egy házi készítésű hófúvót mutat be:
Ajánlások
A hófúvók eredményeinek összegzése során olvassuk el az ilyen terveket önállóan létrehozó kézművesek véleményét.







